-
Junta Carter OEM B16/B18 -
Junta da válvula IACV original Honda (motores K20A) -
Filtro de válvula VTEC OEM para K20, K20A2, K20Z, K20Z4, K24A3 -
Junta da válvula VTEC original para Civic e Accord, modelos K20, K20A2, K24 e K24A3 -
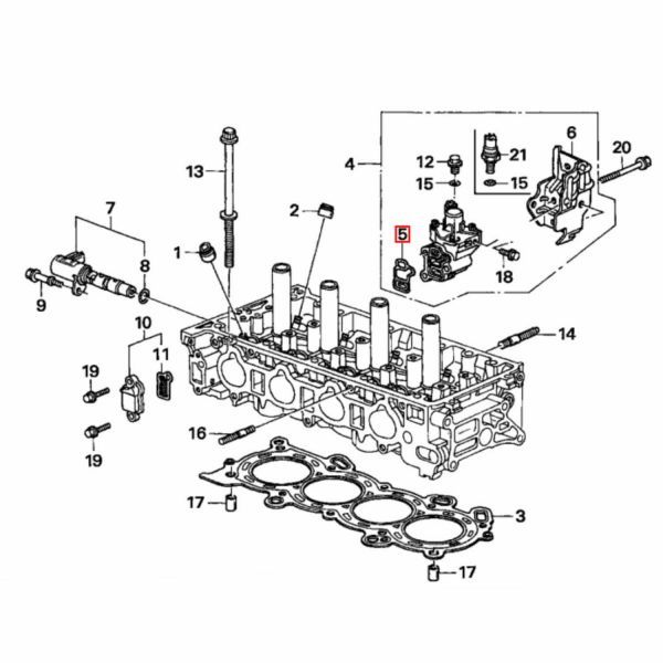
Junta da válvula VTEC original para os modelos D15Z6, D16Y8, D16W4, D16V1, D17A2 e D17A9. -
Junta interna da válvula VTEC original para motores B16A2, D16Z6, D15Z6 e H22A7 -
Junta da válvula VTEC original da série D 16Z6 / Série B DOHC B16A2, B18C4, B18C6 -
Retentor Cambota OEM, lado da caixa de Velocidades, 80x100x10 -
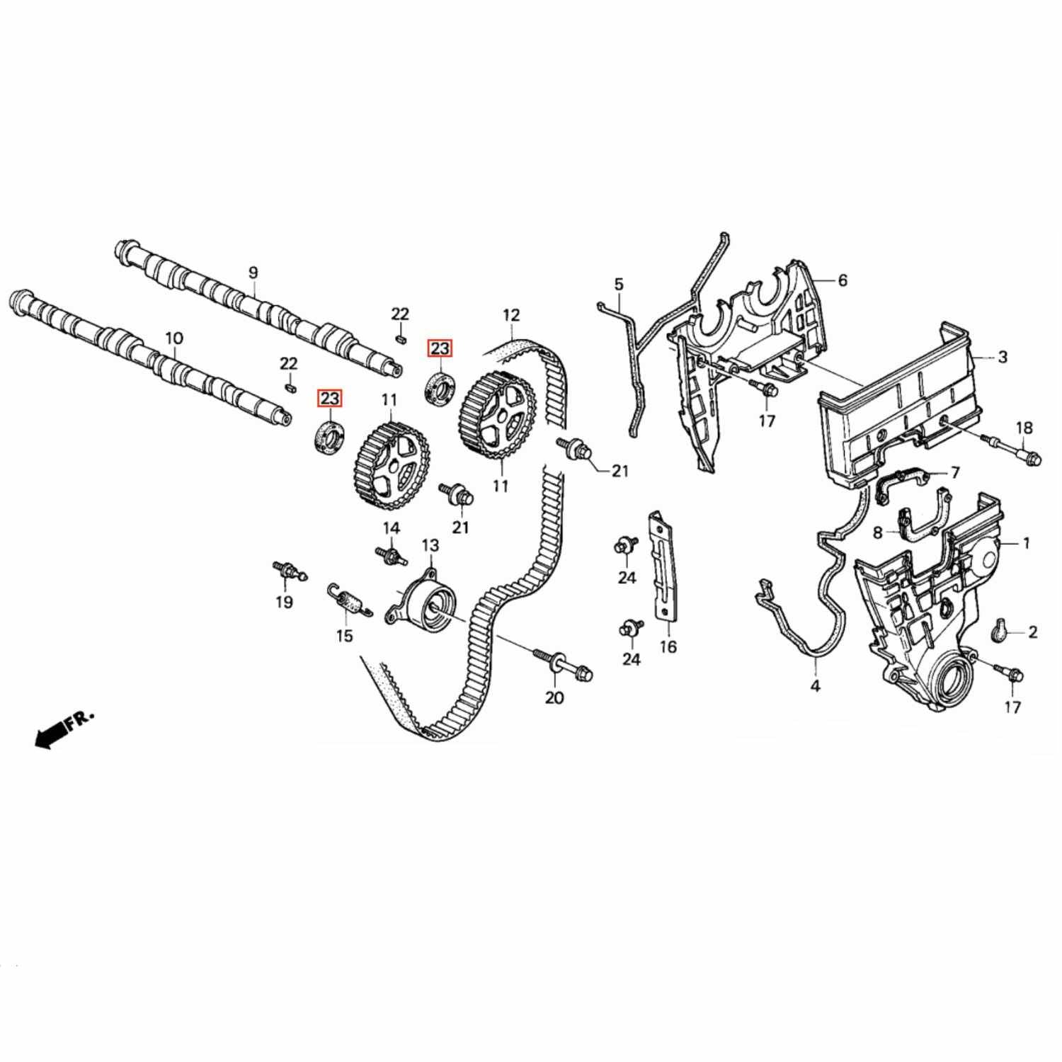
Retentor eixo de comando original B16 96+ B18C4, D14Z6, D16V1, R18 -
Junta da tampa OEM K20, K20A2, K20Z4, K24A, K24A3 -
Retentor Cambota Lado Correia de Distribuição OEM D16Z6, D15, D14 31x46x7 -
Retentor Cambora Lado correia de distribuição OEM B16 B18 -
Retentor Cams OEM Séries B16/B18/H22 -
Junta tampa das válvulas CORTECO Série B16/B18 -
Junta do cárter alumínio FelPro Honda EK/EJ -
Junta do cárter FEL-PRO PermaDry Honda série D -
Junta do cárter Fel-pro permaDryPlus Série B (Civic/CRX/Del sol/Integra) -
Vedantes Válvulas SUPERTECH Admissão/Escape Serie B/D/K 5.5mm